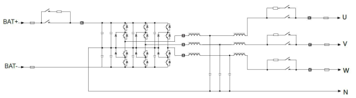
针对工商业储能系统需求结合用户现场工况,设计此款模块化储能变流器单 元,模块化设计,三电平拓扑结构,双向AC/DC,DC/AC变换,满足储能系统需求,适应不同电压等级,不同电池类型,满足不同场景的储能需求,同时针对用户现场有功无功平衡,谐波电流畸变,负载三相不平衡调节等电能质量问题,提供一站式综合解决方案。
安全: 高效
●组串式设计,直流电压范围宽,支持梯次电池使用 ●三电平拓扑,转换效率最高98.5%
●16种保护,全方位防护与控制 ●高动态响应,满载充放电切换时间低至100ms
便利 综合
●支持机架/壁挂式安装,标准U型机柜尺寸设计 ● 无功补偿+谐波治理+三相不平衡调节
●无需隔离变,直接并网,降低系统成本 ●具备有功、无功四象限调节功能
产品应用图:

产品型号:

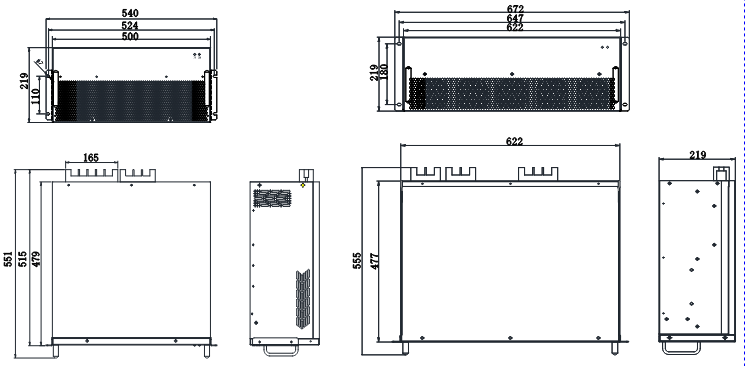
产品外形尺寸图:

联系人:李先生
手机:13381986231
电话:021-69968322
邮箱:lihaigang@haiang.com
地址: 上海市嘉定北开发区兴贤路1378号4号厂房